RG系列开启式压缩机

RG系列开启式螺杆压缩机
分享:

规格参数

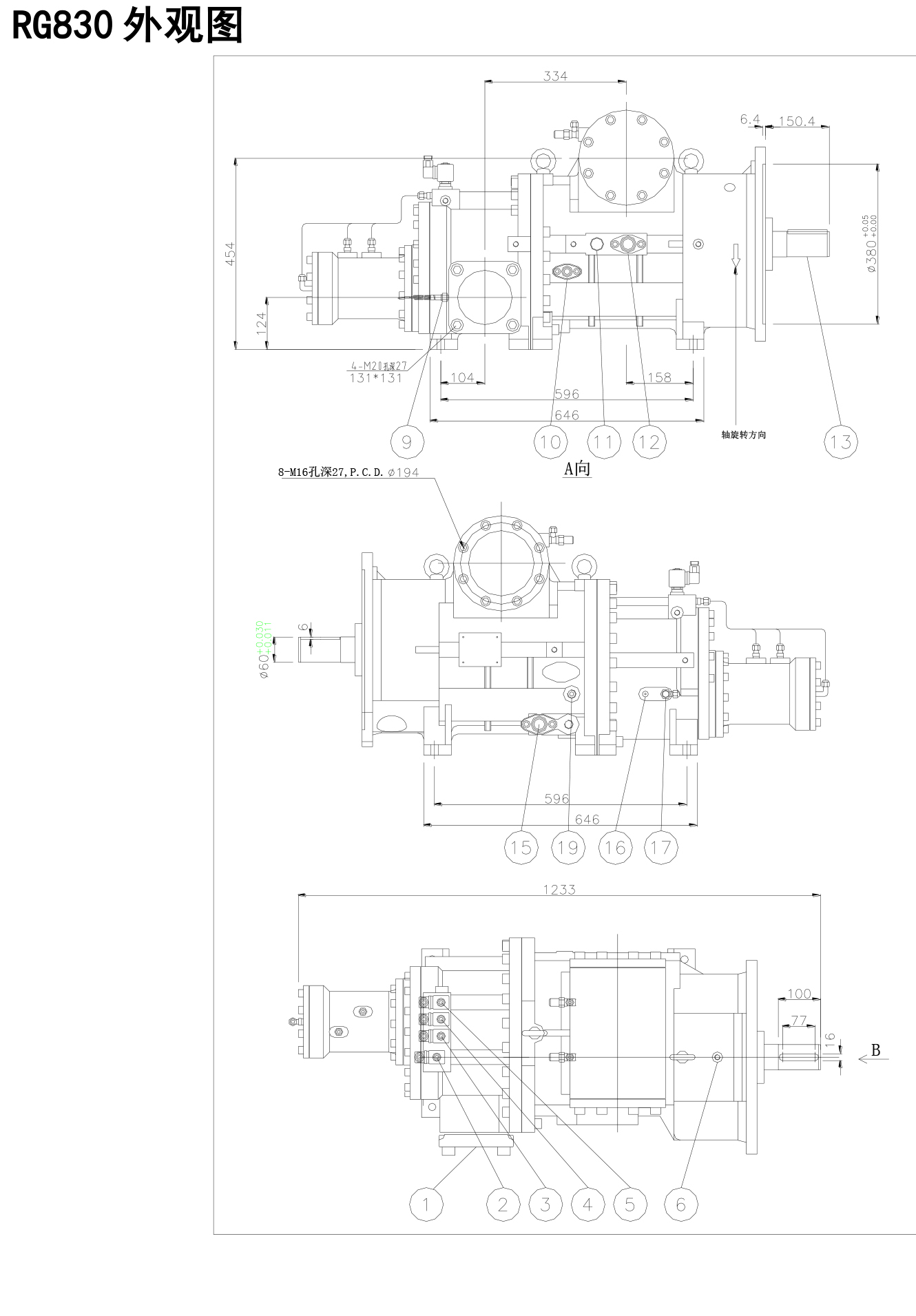
汉钟RG系列开启式压缩机是一款兼容氨、氟以及特殊气体的多功能压缩机。它具有VI值在2.6-5.6之间可调,采用浮动式节能孔。其平衡活塞设计使之在使用上有很好的可靠度。RG开启式压缩机可满足客户不同应用需求。